登录 / 注册
Home
Product Center
Application Industry
News Center
Recruitment and Career Development
About Us
搜索
Product Center

Provide you with enterprise-level interconnection chips

INTL9511

Hot-swappable I2C and SMBus bus buffers are supported


I2C bus standard mode, fast mode, and bidirectional data transmission are supported

1V pre-charging on all SDA and SCL lines is supported to prevent hot-swapping damage

The high-impedance state of the I2C pin after power-down is supported

Clock stretching, arbitration, and synchronization are supported

Operating voltage: 2.3-5.5V

Operating temperature: -40°C~85°C

Package: MSOP8

Product information download
product details

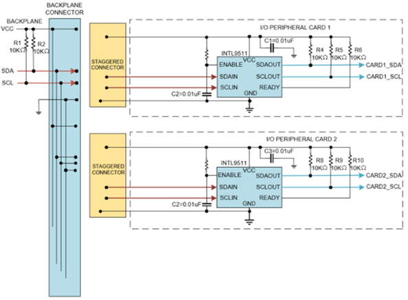
The INTL9511 is a hot-swappable I2C bus buffer that supports the insertion of I/O cards into a powered backplane without damaging data or clock lines. The control circuit prevents the backplane-side I2C line (input) from directly connecting to the board-side I2C line (output) (until a stop command or bus idle condition appears on the backplane), without causing bus frame errors on the board. When the I2C bus is idle, the INTL9511 can be placed in an off mode by setting the EN pin to a low level, thus reducing power consumption. When EN is pulled high, the INTL9511 resumes normal operation.


9511.png


Application Diagram

application

Server

Storage

Switch

Router

Base station

Industrial automation

Copyright © 2019-2025 成都350vip8888新葡的京电子科技股份有限公司 版权所有 备案编号: 蜀ICP备2022009451号 川公网安备 51019002004893号

登录
注册
重设密码